2. 河南理工大学瓦斯地质研究所, 焦作 454003
2. Institute of Coalbed Gas Geology, Henan Polytechnic University, Jiaozuo 454003, China
煤变质程度是在温度、压力等因素作用下,煤的物理、化学性质变化的程度.煤在变质过程中,其物理特征、化学组成和工艺性能等均呈有规律的变化.因此,通过测定煤的挥发分、镜质组反射率、碳含量、氢含量、水分、发热量等煤级指标(亦称煤化作用参数),可确定煤的变质程度或煤化程度[1].目前各国大多使用干燥无灰基挥发分(Vdaf)来表示煤化程度,这是因为干燥无灰基挥发分随煤化程度的变化呈规律性变化,能够较好地反映煤化程度的高低,而且挥发分测定方法简单,标准程度高[2-3].实际上,煤的挥发分不仅与煤化程度有关,同时还受煤的岩石组成影响,具有不同岩石组成的同一种煤,其挥发分可以不同;具有不同岩石组成的煤化程度不同的两种煤却可能有相同的挥发分产率.所以,近些年提出用镜质组最大反射率(R0max)作为反映煤化程度的指标,而且这一指标被大多数国家标准所接受[4-6].研究表明,镜质组反射率随煤化程度的增高而增大,而且镜质组反射率与挥发分、碳含量等可反映煤化程度的指标相比较,它受煤的矿物组分及结构的影响小,是判定煤化程度的比较理想的指标;用于判定中、高煤化程度的烟煤最好,无烟煤的判定效果也较好.例如如图 1所示,根据我国大量的煤统计分析,总结出了镜质组最大反射率与干燥无灰基挥发分、碳含量之间存在较好的单调相关性,尤其在中、高阶煤明显[7].
|
图 1 中国煤的镜质组最大反射率与干燥无灰基挥发分Vdaf和碳含量Wdaf(C)的关系[7] Fig. 1 The relationships between maximum vitrinite reflectance and dry & ash-free basis volatile matter (Vdaf) and carbon content (Wdaf)(Yu, 2000) |
一般煤的镜质组反射率通过岩样的实验室测量获得,是一种直接的方法.受钻孔和巷道的限制,效率较低,控制范围有局限;尤其随着煤层气勘探开发的发展需要[8-10],由于中国煤层沉积的横向变化较大,单纯通过钻孔间插值控制预测的煤镜质组反射率平面分布误差较大.若能通过区域性的地震勘探反演的参数与镜质组反射率建立统计规律,就可以间接、定量、高精度地预测镜质组反射率,为煤矿的开采设计和资源高效利用提供一种快捷、准确的探测方法.
截至目前对于煤镜质组反射率的研究主要还是如何进行实验室的测定,和探索反射率与微观组分等的关系.例如,李文华[4]等人利用600个烟煤煤样进行了煤镜质组反射率与煤种关系的分析与讨论;蒋建平等人[11]通过显微镜下反射率测试,探索了利用镜质组反射率各向异性推测构造应力场的方法;Ch.E.Barker[12]通过分析镜质组反射率与有机组分关系,探索了镜质组与埋藏深度和温度的相关性;张守仁等[13]研究了高阶煤的镜质组最大反射率所呈现的阶跃性特点;Alena KOZUSNIKOVA[14]通过实验室的微压力试验测试了煤镜质组、惰质组和壳质组的硬度及其与泊松比等弹性模量的关系,从微观尺度角度探索煤不同组分的力学性质及其与煤裂缝的关系.而对于建立煤镜质组反射率与煤的地震弹性参数间关系的研究与讨论还未见报道.
为此,本文对采自不同矿区6种不同变质程度煤样进行了最大镜质组反射率的实验室测量;同时进行了煤样超声测试,经过换算获得了煤样纵横波速度、杨氏模量等弹性参数;尝试通过煤镜质组最大反射率与弹性模量的回归统计,探索利用地震可反演的属性预测煤最大镜质组反射率的可能性,为利用井震联合反演进行煤最大镜质组反射率的三维预测提供物理与试验基础.
2 试验样品测试 2.1 镜质组反射率测量试验所采取的样品来自8个不同的矿区[15],代表了6种不同变质程度的煤样,如表 1所示.采样过程中为测试不同方向的煤样弹性参数,分别对采样煤层标明了垂直层理方向、倾向与走向.为满足弹性测试的需要煤样被加工成边长6cm的立方体,共25块,如图 2所示.煤样样品镜质组最大反射率及挥发分、视密度的测试结果如表 1所示,其中相同变质程度、不同煤样的参数给出的是平均值.
|
|
表 1 测试样品信息 Table 1 Coal samples′information |
|
图 2 待测试验样品 Fig. 2 Photos of coalsamples |
从表 1中的平均镜质组最大反射率与平均挥发份含量的近似关系可以看到,它们之间所反映的规律基本与图 1类似,随着煤变质程度的提高,其平均镜质组最大反射率与平均挥发份含量均呈递增的趋势.值得说明的是:本文所指的密度为视密度,又称视相对密度,即地勘行业所使用的密度或体密度[16].密度、平均镜质组最大反射率、平均挥发分的测量按照国家行业规范[17]由河南理工大学瓦斯地质实验室测量.
2.2 超声测量本次超声试验采用常温常压(室温、一个大气压)行波传播-脉冲透射的方法进行测试[18-19].整套仪器由脉冲信号发生器、超声换能器、放大器、计数器和示波器组成[20].实验使用的是压电陶瓷柱状纵横波换能器;为保证样品与换能器耦合良好,测试纵波时采用凡士林进行耦合,测试横波时采用蜂蜜耦合.由于测试煤样为边长6cm的立方体,选用超声的低频段,P波主频为100KHz,S波主频为250KHz;整个测量系统误差小于1%;考虑到煤的特殊性,最大误差不超过3%.
本次超声测量从25块煤样中选取相对较完整、具有平整平面的样品,分别测量了煤样沿煤层走向、倾向和垂向3个方向的纵横波速度,如图 3所示.
|
图 3 煤样测速示意图 Fig. 3 Schematic diagram of ultra-sonic measurement of coal sample |
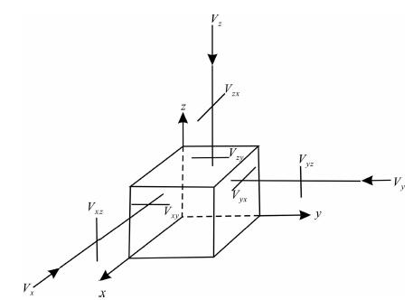
为与煤田人工地震的观测方式相统一,分别以x、y、z代表煤层的走向、倾向和垂直层理的方向.如图 4所示,Vx、Vy、Vz分别表示沿煤层走向、倾向和垂直层理的纵波速度.横波振动方向与波前方向垂直,由于煤样中裂隙的存在,横波通过煤样传播会分裂成两个相互垂直的横波,所以横波沿煤样某个方向传播时会有两个速度值.以沿x方向传播为例,沿x方向传播的横波有Vxy与Vxz,下标的第一个字母x代表横波传播的方向,第二个字母代表与传播方向垂直的方向(即横波振动方向),即Vxy表示横波沿x传播,振动方向与y平行;Vxz表示沿x传播,振动方向与z平行.
|
图 4 镜质组最大反射率(R0max)与视密度(ARD)的关系 Fig. 4 R0max versus apparent density |
纵横波速度计算采用[19]
|
(1) |
其中:VP为纵波速度,单位m·s-1;VS为横波速度,单位m·s-1;L为发射、接收换能器中心间的距离,单位m;tP为纵波在样品中的走时,单位s;tS为横波在样品中的走时,单位s;t0为仪器系统的零延时,单位s.
2.3 测量结果与弹性参数换算六种不同变质程度煤样品的平均超声测量结果如表 2所示.为充分分析煤镜质组最大反射率与煤样除速度、密度外其它参数的关系,根据已知的密度与纵横波速度,进行了体积模量(K/GPa)、杨氏模量(E/GPa)、剪切模量(G/GPa)的理论换算[21],如表 2所示.为突出说明煤变质程度与弹性参数的关系,表 1和表 2分别对同一变质程度不同煤样品的测量结果进行了平均[20],其中由于横波在一个方向上存在快波与慢波两个速度,取平均值作为这个传播方向的横波速度;弹性模量的换算采用的是三个方向纵横波速度的均值,而没有考虑弹性模量的方向各向异性.而关于煤的弹性模量的各向异性我们将在另一篇文章中讨论.
|
|
表 2 六种变质程度煤的超声测量结果与理论弹性模量 Table 2 Ultra-sonic testing results and calculated elastic modulus of 6 kinds of coals |
煤的最大镜质组反射率是表征煤化度的重要指标.各种煤显微组分的反射率均随煤化度加深而增大,这反映了煤的内部由芳香稠环化合物组成的核的缩聚程度在增长,碳原子的密度在增大[2].本次试验发现:煤样最大镜质组发射率随煤样视密度的增加而增大,二者之间幂指数正相关度高达98%,见图 4.煤质实验室测量中的视密度即为地震勘探中的体密度.
在测定煤样密度和纵横波速度的基础上,根据表 2换算的煤样平均杨氏模量(E)、体积模量(K)、剪切模量(G)结果可以给出弹性模量与煤样镜质组最大反射率的散点关系图,如图 5所示.从图中可见:三个弹性模量与煤样镜质组最大反射率均线性正相关,平均相关系数82%;杨氏模量、剪切模量、体积模量与镜质组最大反射率的相关性依次降低.
|
图 5 镜质组最大反射率(R0max)与弹性模量的关系 Fig. 5 R0max versus elastic modula |
通过煤样的镜质组最大反射率分别与煤样纵、横波波速回归分析,可以发现煤样镜质组最大反射率与波速存在一定程度的相关性,波速随煤样镜质组反射率的增加而增大,见图 6和图 7.从图中可见,走向、倾向和垂直层理三个方向的纵波、横波速度与镜质组最大反射率均存在较好的线性正相关关系.其中,三个方向纵波速度与镜质组最大反射率的相关性类似,平均相关程度77%,以垂直层理方向的纵波速度与镜质组最大反射率的相关性最好;而三个方向横波速度与镜质组最大反射率的相关性差异较大,以走向为最好;若考虑横波速度在z方向上的测量数据点缺失,垂直方向的横波速度与镜质组最大反射率的相关性最差,这与煤岩发育平行的层理是有关系的(注:若以同样类型的其它样品测量的垂向横波速度均值代替缺失的数据点,垂向横波速度与R0max的线性相关系数不足50%).
|
图 6 镜质组最大反射率(R0max)与纵波速度的关系 Fig. 6 R0max versus P-wave velocity |
|
图 7 镜质组最大反射率(R0max)与横波速度的关系 Fig. 7 R0max versus S-wave velocity |
速度和密度是煤田测井可以提供的物理参数,是建立钻孔地质与地震之间桥梁的必须地震属性.在井震联合反演中,直接的反演结果一般是波阻抗[22-24],因此,统计波阻抗与镜质组最大反射率之间的关系就可以利用地震数据实现镜质组最大反射率的三维预测.根据表 2中的数据经过换算可以得到如图 8所示的纵波阻抗、横波阻抗与平均镜质组最大反射率之间的统计关系.鉴于目前煤田地震反演只能提供垂向纵波阻抗和横波阻抗的技术水平,为讨论问题的方便,此处换算只考虑垂向速度与密度的乘积,不考虑不同方向阻抗变化,而只考虑纵横波阻抗的差异及其与镜质组最大反射率的相关程度.
|
图 8 镜质组最大反射率(R0max)与垂向阻抗(Z)的关系 Fig. 8 R0max versus vertical wave impedance |
从图 8上纵横波垂向阻抗与镜质组最大反射率的散点分布和趋势线可以看出,阻抗与反射率的相关性较好,平均可达86%;其中纵波阻抗相关性好于横波,相关系数为92%;而横波阻抗相关系数为80%,这主要是由于垂向横波速度与镜质组反射率的相关性较差传递引起的.此外,从图上还可以看到,横波阻抗随R0max递增的幅度远小于纵波阻抗的增量,说明了横波阻抗对R0max的敏感程度不如纵波阻抗.
4 认识与讨论综合上述分析,不同变质程度煤的镜质组最大反射率与煤的视密度、弹性模量、纵横波速度及阻抗均存在较好的相关性,平均相关性在80%左右.其中:
1)煤镜质组最大反射率与煤密度、纵波阻抗的相关性最好,在90%以上.
2)煤镜质组最大反射率与煤横波速度、横波阻抗的相关性不如与纵波速度、纵波阻抗的相关性.
3)不同方向煤速度与镜质组最大反射率的相关性存在差异,从另外一个侧面反映了煤沉积不同方向上的各向异性特征,而变质程度由于缺少方向性测量难以建立与速度对应的各向异性.
4)在煤田井震联合反演煤层镜质组最大反射率的过程中,使用密度和纵波阻抗比其它参数可靠,也为常规纵波地震技术预测煤变质程度提供了依据.
同时我们也认识到:
1)由于煤样的易碎性,本次实验采样和制样的数量有限,也未能就某一种变质程度煤样进行大量的岩样测试,从而使得总结的规律只能给出煤变质程度与弹性参数关系的大的趋势认识,与我国煤类型的多样性和复杂性不完全匹配.
2)由于煤节理、割理和裂缝的发育使得横波初至的拾取困难[25-26],因此在横波速度计算中缺失了一些样品的数据,而使得数据点偏少.
3)由于煤样实验室的超声测量是在常温压和高频条件下实现的,对于实际地层条件和地震频带的差异[27],本文的结果只具有相对的指导意义.
对于具体的矿区,合理的方法还是要在大量采样与模拟地层温压条件、采用地震频带信号测试的前提下,建立地震属性参数与煤镜质组最大反射率之间的关系,从而达到利用煤田地震、地球物理测井的联合反演高精度预测煤阶空间变化特征的目的.
致谢感谢中国科学院地质与地球物理研究所的伍向阳研究员和中国石油大学(北京)的魏建新研究员在煤样超声测量中给予的指导和帮助,感谢申振华和成林硕士所做的样品制备和实验室测量工作.
| [1] | 杨金和, 陈文敏, 段云龙. 煤炭化验手册. 北京: 煤炭工业出版社, 2004 : 759 -767. Yang J H, Chen W M, Duan Y L. Coal Test Manual (in Chinese). Beijing: Coal Industry Press, 2004 : 759 -767. |
| [2] | 陈鹏. 中国煤炭性质、分类和利用. (第二版). 北京: 化学工业出版社, 2001 : 80 -88. Chen P. Property, Classification and Utilization of Coal in China (in Chinese). (2nd ed). Beijing: Chemical Industry Press, 2001 : 80 -88. |
| [3] | Annual Book of ASTM Standards, Vol.5.05, American Society for Testing and Materials, Philadephia, PA, 1986. http://www.gsa.gov/portal/content/101059 |
| [4] | 李文华, 白向飞, 杨金和, 等. 烟煤镜质组平均最大反射率与煤种之间的关系. 煤炭学报 , 2006, 31(3): 342–345. Li W H, Bai X F, Yang J H, et al. Correspondence between mean maximum reflectance of vitrinite and classification of bituminous coals. Journal of China Coal Society (in Chinese) , 2006, 31(3): 342-345. |
| [5] | 周师庸, 赵俊国. 炼焦煤性质与高炉焦炭质量. 北京: 冶金工业出版社, 2005 : 221 -223. Zhou S Y, Zhao J G. The Character of Coking Coal and the Quality of Coke for Blast Furnace (in Chinese). Beijing: Metallurgical Industry Press, 2005 : 221 -223. |
| [6] | Krevelen D W. Coal Science. Amsterdam: Elsevier Publishing Co., 1961 . |
| [7] | 虞继舜. 煤化学. 北京: 冶金工业出版社, 2000 : 110 . Yu J S. Chemistry of Coal (in Chinese). Beijing: Metallurgical Industry Press, 2000 : 110 . |
| [8] | Pan Z J, Connell L D. Modelling of anisotropic coal swelling and its impact on permeability behaviour for primary and enhanced coalbed methane recovery. International Journal of Coal Geology , 2011, 85(3-4): 257-267. DOI:10.1016/j.coal.2010.12.003 |
| [9] | 孙占学, 张文, 胡宝群, 等. 沁水盆地大地热流与地温场特征. 地球物理学报 , 2006, 49(1): 130–134. Sun Z X, Zhang W, Hu B Q, et al. Features of heat flow and the geothermal field of the Qinshui Basin. Chinese J. Geophys (in Chinese) , 2006, 49(1): 130-134. |
| [10] | 潘一山, 唐巨鹏, 李成全. 煤层中气水两相运移的NMRI试验研究. 地球物理学报 , 2008, 51(5): 1620–1626. Pan Y S, Tang J P, Li C Q. NMRI test on two-phase transport of gas-water in coal seam. Chinese J. Geophys. (in Chinese) , 2008, 51(5): 1620-1626. |
| [11] | 蒋建平, 高广运, 康继武. 镜质组反射率测试及其所反映的构造应力场. 地球物理学报 , 2007, 50(1): 138–145. Jiang J P, Gao G Y, Kang J W. Tests on vitrinite reflectance of coal and analysis of tectonic stress field. Chinese J. Geophys. (in Chinese) , 2007, 50(1): 138-145. DOI:10.1002/cjg2.v50.1 |
| [12] | Barker C E, Pawlewicz M J. The correlation of Vitrinite reflectance with maximum temperature in humic organic matter. Paleogeothermics: Lecture Notes in Earth Science , 1986, 5: 79-93. DOI:10.1007/BFb0012098 |
| [13] | 张守仁, 曹代勇, 陈佩佩, 等. 高煤阶煤的阶跃性演化机理研究. 煤炭学报 , 2002, 27(5): 525–528. Zhang S R, Cao D Y, Chen P P, et al. Study on the step evolution mechanism of high-rank coal. Journal of China Coal Society (in Chinese) , 2002, 27(5): 525-528. |
| [14] | Kozusniková A. Determination of Microhardness and Elastic Modulus of Coal Components by Using Indentation Method. Geolines , 2009, 22: 40-43. |
| [15] | GB/474-2008, 《煤样的制备方法》.中华人民共和国国家质量监督检验检疫总局(中国国家标准化管理委员会), 2008: 1-13. GB/474-2008, method for preparation of coal sample. General Administration of Quality Supervision, Inspection and Quarantine of the People's Republic of China, 2008: 1-13 (in Chinese). http://www.csres.com/detail/196122.html |
| [16] | GB/T6949-1998, 《煤的视相对密度测定方法》.国家质量技术监督局, 1998: 1-4. GB/T6949-1998, Determination of apparent relative density of coal. General Administration of Quality Supervision of the People's Republic of China, 1998: 1-4 (in Chinese). http://www.51zbz.net/biaozhun/41193.html |
| [17] | GB/T212-2008, 《煤的工业分析方法》.中华人民共和国国家质量监督检验检疫总局(中国国家标准化管理委员会), 2008: 1-18. GB/T212-2008, Proximate analysis of coal. General Administration of Quality Supervision, Inspection and Quarantine of the People's Republic of China, 2008: 1-18 (in Chinese). http://www.mkaq.org/html/2013/01/30/177867.shtml |
| [18] | 何元金, 马兴昆. 近代物理实验. 北京: 清华大学出版社, 2003 : 198 -206. He Y J, Ma X K. The Modern Physics Experiment (in Chinese). Beijing: Tsinghua University Press, 2003 : 198 -206. |
| [19] | 伍向阳.石油流体中声波速度及其相关性质研究[博士学位论文].北京:中国科学院地球物理研究所, 2000: 31. Wu X Y. Study on acoustic wave and related property in petroleum fluid (in Chinese)[Ph. D. thesis]. Beijing: Institute of Geology and Geophysics, Chinese Academy of Science, 2000: 31. http://industry.wanfangdata.com.cn/jt/Detail/Thesis?id=Thesis_Y351856 |
| [20] | 王赟, 许小凯, 张玉贵. 六种不同变质程度煤的纵横波速度特征及其与密度的关系. 地球物理学报 , 2012, 55(11): 3754–3761. Wang Y, Xu X K, Zhang Y G. Characteristics of P-wave and S-wave velocities and their relationships with density of six metamorphic kinds of coals. Chinese J. Geophys. (in Chinese) , 2012, 55(11): 3754-3761. |
| [21] | 胡德绥. 弹性波动力学. 北京: 地质出版社, 1989 . Hu D S. The Dynamics of the Elastic Wave (in Chinese). Beijing: Geological Publishing House, 1989 . |
| [22] | 张关泉, 屠浩敏. 层状弹性介质的波阻抗反演. 地球物理学报 , 1995, 38(S1): 81–93. Zhang G Q, Tu H M. Impedance inversion for elastic layered media. Acta Geophysica Sinica Chinese J. Geophys. (in Chinese) , 1995, 38(S1): 81-93. |
| [23] | 马劲风. 地震勘探中广义弹性阻抗的正反演. 地球物理学报 , 2003, 46(1): 118–124. Ma J F. Forward modeling and inversion method of generalized elastic impedance in seismic exploration. Chinese J. Geophys. (in Chinese) , 2003, 46(1): 118-124. |
| [24] | 彭真明, 李亚林, 巫盛洪, 等. 碳酸盐岩储层多角度弹性阻抗流体识别方法. 地球物理学报 , 2008, 51(3): 881–885. Peng Z M, Li Y L, Wu S H, et al. Discriminating gas and water using multi-angle extended elastic impedance inversion in carbonate reservoirs. Chinese J. Geophys. (in Chinese) , 2008, 51(3): 881-885. |
| [25] | Morcote A, Mavko G, Prasad M. Dynamic elastic properties of coal. Geophysics , 75(6): E227-E234. DOI:10.1190/1.3508874 |
| [26] | 张建利, 王赟, 张玉贵.一种提高煤样横波超声测量精度的方法.煤炭学报, 2013, 38(7):(in Press) Zhang J L, Wang Y, Zhang Y G. A new method for improving the S-wave ultrasonic-test accuracy of coal samples. Journal of China Coal Society (in Chinese), 2013, 38(7):(in press). |
| [27] | 席道瑛, 徐松林, 周城光, 等. 用非强迫共振法研究饱和岩石的黏弹性响应. 岩石力学与工程学报 , 2012, 31(4): 688–695. Xi D Y, Xu S L, Zhou C G, et al. Study of viscoelastic behavior of saturated rocks by using non-forced resonance method. Chinese Journal of Rock Mechanics and Engineering (in Chinese) , 2012, 31(4): 688-695. |
2013, Vol. 56
